什么是寄存器
提到单片机,就不得不提到寄存器。根据百度百科介绍,寄存器是中央处理器内的组成部分。寄存器是有限存贮容量的高速存贮部件,它们可用来暂存指令、数据和地址。

简单来说,寄存器就是存放东西的东西。从名字来看,跟火车站寄存行李的地方好像是有关系的。只不过火车站行李寄存处,存放的行李;寄存器可能存放的是指令、数据或地址。 存放数据的寄存器是最好理解的,如果你需要读取一个数据,直接到这个寄存器所在的地方来问问他,数据是多少就行了。问寄存器这个动作,叫做访问寄存器。不同的数据会存放在不同的寄存器,例如引脚PA2与PB8的高低电平数据(1或0)肯定放在不同的寄存器里,那么怎么区分不同的寄存器呢?通过地址,不同的寄存器有不同的地址,就像老张行李寄存处在101号店铺,老王行李寄存处在258号店铺。 指令、地址寄存器与数据寄存器类似,里边存放的都是0和1,毕竟单片机也只认识机器码,机器码都是0或1,只是特别的规定下,数据寄存器里面存放的0和1表示数据,指令寄存器里存放的表示指令。 个人理解:给CPU存储东西的地方。等CPU转到寄存器这个地方的时候,就拿出寄存器里存放的东西,或是根据寄存器里的命令做一些事情。比如厨房就是个寄存器,负责做饭。仓库也是个寄存器,负责存东西。需要某些功能的时候,就要操作某个寄存器。可以把寄存器类比为,有特殊功能的地方,既然是个地方当然就有地址了,所以,可以把寄存器想象为特殊的地址。 #怎么找到某个寄存器的地址?查看数据手册。
手册中没有直接给出所有的寄存器的地址,需要读者稍加计算。STM32给不同的寄存器分配了不同的地址,有点像划分了片区。在《STM32中文参考手册_V10》的第28页,有不同寄存器的地址范围。
现在,假如我们想读取PB3引脚的电平,该怎么找到相关的寄存器?
第一步,找到GPIOB的基地址
也就是找到GPIOB的小区。结论是,所有GPIOB相关的寄存器,都住在0x4001 0C00到0x4001 0FFF范围内。
GPIOB的地址
第二步,找到端口输入寄存器的地址偏移
找到存储数据的那个屋子,结论是0x4001 0C00+8 = 0x4001 0C08
GPIOB_IDR的地址偏移
第三步,找到知道数据的那个人
PB3的数据位于从右往左数第4个。
引脚PB3的数据
而这个寄存器的位数是32位(虽然高16位没有用到),这就是32位的单片机的意思。每个寄存器都占据4字节,32位。而CPU的总线一次可以操作32位,所以比8位单片机厉害一点。
经过这三步查找,我们可以做出以下结论:
PB3的输入数据位于0x4001 0C08这个地址上,这个地址上存放数据的右起第4个位就是PB3引脚对应的高低电平。
我们可以简单粗暴地直接访问这个地址:
unsigned int *pGPIOB_IDR = (unsigned int *)0x40010C08;
unsigned char PB3 = *pGPIOB_IDR & 0x8;//取出从右往左数的第4位
直接访问的操作并不好用,每操作一个寄存器就必须去查看数据手册,然后找找这个寄存器的地址。 意法半导体公司为了方便大家使用,就把这些寄存器都起了一目了然的名字,把寄存器与地址映射关系放在他们提供的头文件里。这个文件就是stm32f10x.h。
#直接操作寄存器来点亮LED。
我的板子对应的LED是PB8。
- 首先要配置时钟使能。
为什么配置时钟?为了省电,默认的时钟都是关闭的。配置STM32的任何资源前,都必须首先使能时钟。
配置哪个时钟?
时钟的信息在参考手册里边,参考手册十分巨大,不用通读,就像一个字典,需要什么查什么。
参考手册,搜索"时钟",在表1里可以看到。
时钟控制名字叫做RCC,属于AHB总线。GPIOB属于APB2。

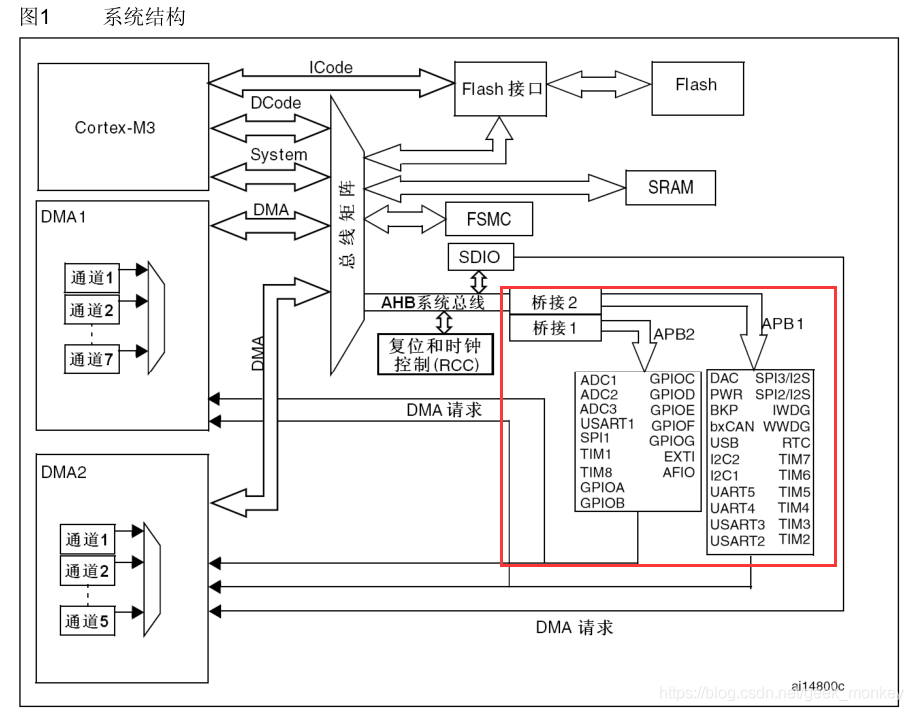
下图系统结构可以看到时钟的从属关系,此图位于手册P25页,十分重要。可以看出AHB总线包含RCC时钟控制,GPIO是属于APB2的。
我们已经知道,GPIO端口B的地址从0x4001 0C00开始。接下来只寻找时钟使能寄存器的地址:
复位和时钟控制RCC的地址从0x4002 1000开始;
可以在6.3.7小节找到APB2外设时钟使能寄存器(RCC_APB2ENR),偏移地址是0x18,所以APB2的地址就是0x4002 1018。
看手册RCC_APB2ENR,位3是IOPBEN,名字是IO端口B时钟使能,就是我们想要的。把RCC_APB2ENR的位3赋值为1,就是开启GPIOB时钟。

- 配置为通用输出
既然叫做IO,那么肯定就是可以输入,可以输出,到底是输入还是输出呢? 控制LED需要输出高电平或是低电平,所以需要配置为输出。 由于STM32的每个IO都需要4个位来配置,所以一个32位的寄存器最大只能配置8个IO(32位的单片机的寄存器就是32位的)。STM32中,用端口配置低寄存器(GPIOx_CRL)来配置引脚Px0-Px7, 用端口配置高寄存器(GPIOx_CRH)来配置引脚Px8-Px15。 配置引脚PB8,使用的寄存器是GPIOB_CRH。下面我们来寻找这个寄存器的地址。
关于此寄存器的说明位于8.2.2小节。先看标题GPIOx,表示不管是PA,PB还是PE,都能用。
偏移地址是0x04,意思是在基地址的基础上再加0x04,所以,对于GPIOB来说就是0x4001 0c04。如果配置PB0-PB7,那么需要的寄存器是低位的寄存器GPIOB_CRL,它的地址是0x4001 0c00。我们需要配置的寄存器是GPIOB_CRH。
找到需要操作的寄存器后,把它配置为通用输出。
复位值是0x4444 4444,并不是0x0000 0000。所谓的复位值,就是指如果没有操作这个寄存器时,寄存器存放的默认值。复位值按位拆分0x4 = 0b0100,0x表示16进制,0b表示二进制,也就是默认CNF 01,MODE 00,是浮空输入。
我们需要的是输出高低电平,所以要设置为输出。输出模式又有好几种输出:
推挽输出:可以输出高,低电平,连接数字器件;推挽结构一般是指两个三极管分别受两互补信号的控制,总是在一个三极管导通的时候另一个截止。
开漏输出:输出端相当于三极管的集电极,要得到高电平状态需要上拉电阻才行,适合于做电流型的驱动,其吸收电流的能力相对强(一般20ma以内)。
开漏是需要外接上拉电阻才可以输出高电平的,这里并不适合。所以需要设置为推挽输出。
功能是否是复用呢?复用的意思是有别的功能在这个脚上,比如USB,CAN,串口等,所以这些个脚就可能有多个功能。暂时讲多了反而会迷惑,等用到了这些功能再讲解,我直接告诉大家,PB8没有复用。
所以配置为输出模式,通用推挽输出。速度暂时不关注,随便填写一个50MHz吧,其它速度当然也可以。所以设置GPIOB_CRH的MODE8与CNF8为0b0011,即0x3。此寄存器中其它的位暂时不做修改,使用默认值,也就是GPIOB_CRH设置为:0x4444 4443。
- 点亮LED需要输出低电平
在单片机的编程中,要想做某件事,必须寻找相应的寄存器。在8.2.4小节,可以找到端口输出数据寄存器,就是我们需要的。我们需要输出0。但是中文手册有一个小小的BUG,0x0C写成了0Ch,可以参考英文原版。得知地址的偏移是0x0C,所以这个数据寄存器的地址就是0x4001 0C0C,把第8位写为0就行。默认就是0,但是也得学一下怎么写,万一是高电平点亮呢。

- 使用直接赋值的方式写寄存器的地址
在搞清楚我们要用的几个寄存器的地址,以及寄存器中需要装填的数值以后,现在用一个简单粗暴的方法来操作这些寄存器——直接操作。(注意,这段代码不是实用的代码,只是为了写出一个最简单的LED,有些部分是不可取的。)将main函数修改为:
int main(void)
{
unsigned int *pRCC_APB2ENR = (unsigned int *)0x40021018;
unsigned int *pGPIOB_CRH = (unsigned int *)0x40010c04;
unsigned int *pGPIOB_ODR = (unsigned int *)0x40010c0c;
*pRCC_APB2ENR = 0x00000008;
*pGPIOB_CRH = 0x44444443;
*pGPIOB_ODR = 0x00000000;
return 0;
}
C语言总是从main函数开始执行。
定义几个指针,指向刚刚看到的地址。对于编译器来说,它并不知道0x40021018代表的是数据还是指针,所以用(unsigned int *)作强制的类型转换,告诉编译器0x40021018是个指针。指针可以理解为地址。操作指针,把这些地址存放的值修改。
最后的return,代表main函数结束。
#总结
我们写了一段另类的代码,直接操作寄存器的地址,就是想得到这么一个结论:不论代码怎么写,不论是寄存器,库函数,还是其他的操作系统,要在STM32F103这个单片机点亮LED灯,肯定需要把时钟和GPIO这几个相关的特殊地址,进行赋值或修改数值的操作。有点像打篮球,不论进攻时有怎样花哨的运球与传切配合,最后都要完成把球放入篮筐的动作,才能得分。
版权声明:本文为CSDN博主「yummy说电子」的原创文章,遵循CC 4.0 BY-SA版权协议,转载请附上原文出处链接及本声明。
原文链接:https://blog.csdn.net/geek_monkey/article/details/86291377